- ","closetag":"<\/ul>","usebutton":"0","buttonsposition":"1","use_actionseptxt":"1","actionseptxt":"","allowdownloads":"1","downloadstext":"FLEXI_DOWNLOAD","allowview":"0","viewtext":"","use_downloads_manager":"0","addtocarttext":"","allowshare":"0","sharetext":"","enable_coupons":"0","coupon_hits_limit":"3","coupon_expiration_days":"15","send_notifications":"0","notifications_step":"20","notification_tmpl":"%%FLEXI_HITS%% __FILE_HITS__ \r\n %%FLEXI_FDN_FILE_NO%% __FILE_ID__: [__FILE_TITLE__] \r\n %%FLEXI_FDN_FILE_IN_ITEM%% __ITEM_TITLE__: \r\n __ITEM_URL__","send_all_to_email":"","send_to_current_item_owner":"0","send_to_email_field":"0","display_filter_as_s":"1"}
[checked_out] => 0
[checked_out_time] => 0000-00-00 00:00:00
[access] => 8
[ordering] => 17
[has_access] => 0
[item_id] => 9
[value] => Array
(
[0] => 226
[1] => 227
)
[parameters] => Joomla\Registry\Registry Object
(
[data:protected] => stdClass Object
(
[use_ingroup] => 0
[allow_multiple] => 1
[add_position] => 0
[max_values] => 0
[required] => 0
[formlayout] => InlineBoxes
[fields_box_placing] => 1
[form_file_preview] => 0
[use_myfiles] => 1
[target_dir] => 1
[filelist_cols] => Array
(
[0] => upload_time
[1] => hits
[2] => __SAVED__
)
[inputmode] => 0
[iform_title] => 1
[iform_desc] => 0
[iform_lang] => 0
[iform_dir] => 0
[iform_title_default] =>
[iform_desc_default] =>
[iform_lang_default] => *
[iform_dir_default] => 1
[display_label] => 0
[show_acc_msg] => 0
[no_acc_msg] =>
[noaccess_display] => 0
[noaccess_addvars] => 0
[noaccess_url_unlogged] =>
[noaccess_msg_unlogged] =>
[noaccess_url_logged] =>
[noaccess_msg_logged] =>
[viewlayout] => InlineBoxes
[useicon] => 1
[display_filename] => 1
[lowercase_filename] => 0
[link_filename] => 1
[display_lang] => 0
[display_size] => 0
[display_hits] => 0
[display_descr] => 0
[use_infoseptxt] => 1
[infoseptxt] =>
[prx_sfx_open_close_configs] =>
[remove_space] => 0
[pretext] =>
- [posttext] => [separatorf] => 5 [opentag] =>
-
[closetag] =>
Project Planning Committee
Immer zwei Schritte voraus
Das PPC treibt oK aus Anwendersicht. Es identifiziert notwendige Projekte, erstellt dafür eine Projekt Pipeline und sorgt in Abstimmung mit dem SC für die kohärente Umsetzung in oK. Es konzentriert sich dabei auf die Funktionaliät des oK-Systems aus Anwendersicht. Es stützt sich auf die Architektur- und Qualitätsvorgaben seiner beiden Schwesterkomitees.
Im Allgemeinen sammelt das PPC Ideen für neue Projektmodule, trägt diese in die Netzbetreibergruppe von oK hinein und bringt sie zur Ausschreibung. In diesem Prozess wird großer Wert darauf gelegt, dass die ausgeschriebenen Module nach Spezifikation und Implementierung auch zeitnah bei einem der Netzbetreiber in oK zur Anwendung gebracht werden. Die Liste der Favorisierten oK-Themen kann hier eingesehen werden.
Über den im PPC verfolgten Entwicklungsprozess begleitet oK jedoch nur die Entwicklung bis hin zum Open-Source-Prototypen. Die eigentliche Installation erfolgt bei den Netzbetreibern durch Systemintegratoren, die z.B. die etablierten Leitsystemhersteller sind.
Die Entwicklung folgt einem festen Schema
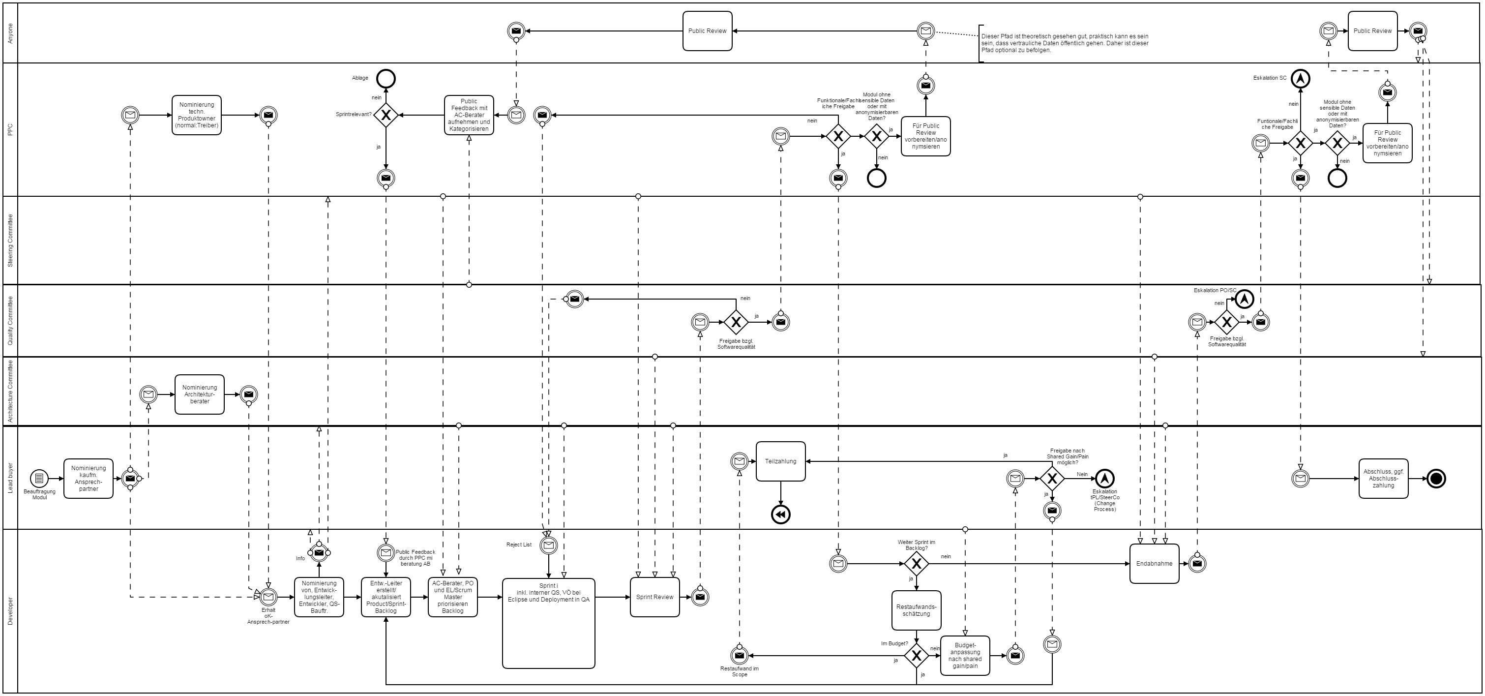
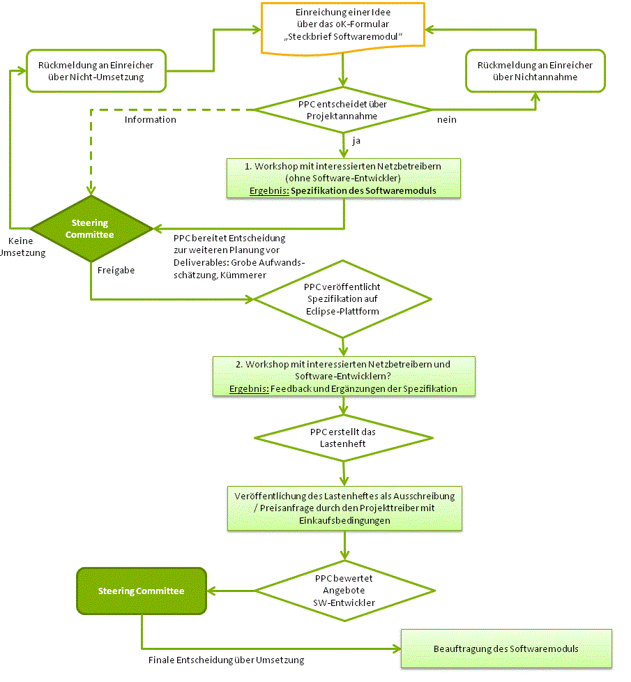
Das PPC folgt einem festen Schema bei der Entwicklung neuer Module. Die nachfolgend aufgeführten Schritte folgen dem hier verlinkten verallgemeinerten Diagramm.
- Aufnahme von Modulideen, die in einem Steckbrief rudimentär beschrieben worden sind
- Auswahl von denjenigen Modulen mit zeitnaher Umsetzungsperspektive
- Erarbeitung einer Modulspezifikation mit interessierten Netzbetreibern während eines Workshops
- Nach Genehmigung durch das Steering Committee Diskussion mit interessierten Software-Entwicklern auf einem Folgeworkshop
- Weiterentwicklung hin zu einem Lastenheft
- Ausschreibung und Vergabe
- Agile Entwicklung des Moduls als Prototyp nach dem Scrum-Prozess. Auf ein klassisches Pflichtenheft wird bewusst verzichtet.
Dokumente für die Modulentwicklung:
| Dokument | Inhalt | Verwendung |
|---|---|---|
| Steckbrief | Skizze des Moduls, erstellt vom treibenden oK-Mitglied | oK-intern |
| (Grob-)Spezifikation | Ausführlichere Modulbeschreibung abgestimmt unter den interessierenden oK-Mitgliedern | Herstellerworkshop |
| Lastenheft (Feinspezifikation) | Um Herstellerinput und Abwicklungsformalitäten erweiterte Spezifikation | Ausschreibung |
Neben diesen inhaltlichen Dokumenten wurden die Prozesse von Modulausschreibung und -entwicklung unter Beteiligung der verschiedenen oK-Gremien und Entwickler detailliert ausgestaltet. Interessierte Entwickler können die Details folgenden Prozessdiagrammen entnehmen:
Die Aufgaben des PPC im Detail:
- Erstellen einer mittel- und langfristigen Projektplanung (Roadmap/Pipeline)
- Steuerung und Pflege des Umsetzungsprozesses für neue Projekte
- Vorhalten von Vorlagen für Steckbriefe und Spezifikationen
- Für jedes Projekt:
- Treiben und begleiten der Erstellung von Steckbrief und Spezifikation
- Erstellen von Zeitplanung, Projektdefinition und Kostenplanung auf Basis der Spezifikation
- Projektkoordination mit inhaltlicher Lenkung und Vorbereitung von Meilensteinentscheidungen im Steering Committee
- Erhebung der "Lessons Learnt" und entsprechend Empfehlungen zur Anpassung des Vorgehens für Steering, Achitecture und Quality Committee
Konkrete Produkte des PPC
- Prozessbeschreibung "Initiieren neuer Projekte" und deren Update
- Vorlagen für Steckbrief und Spezifikation
- Register der existierenden Steckbriefe und Spezifikationen
- Roadmap/Pipeline der ok-Projekte
- Fortlaufender indikativer Kostenplan über
24 Monate - Workshops "Lessons Learnt" nach Projektabschluss mit Projektteam und Information von SC, AC und QC
Zusammensetzung
Jeder Driver Member und jeder User Member hat einen Sitz im Project Planning Committee. Die Service Provider Member sind von der Teilnahme an den Sitzungen des Project Planning Committees ausgeschlossen. Das Project Planning Committee wählt aus seinen Mitgliedern einen Vorsitzenden, der gegenüber dem Steering Committee Bericht erstattet. Jedes Mitglied des Project Planning Committee hat eine Stimme.
Meetings
Das Project Planning Committee tagt mindestens zweimal im Jahr. Alle zwei Wochen findet eine Abstimmung über Webkonferenzen statt.
Hinzukommen Workshops zur Erarbeitung von Modulspezifikationen.
Ansprechpartner
-
Thomas Altherr
EWE Netz GmbH
(Chairman) -
Patrick Weis
EWR Netz GmbH -
Peter Wiacker
Energienetze Mittelrhein GmbH & Co KG -
Erik Epler
Netz Leipzig GmbH -
Patrick Klöckner
MVV Netze GmbH -
Benedikt Herget
e-netz Südhessen AG -
Stefan Junghänel
Bielefelder Netz GmbH
